key: ≡ parallel, ↔ serial, ~ LVDS, _ unknown, ✘ discarded as not useful
| LCD Description | |
|---|---|
| Model | a9H038, LMG202C5-NFPR |
| Manufacturer | |
| Recovered from | Panasonic UF-595 fax 1) |
| Board IDs | - |
| LCD type | positive |
| Polarizer type | reflective |
| Columns | 20 |
| Rows | 2 |
| Char matrix | 5×8 |
| Driver IC | Hitachi HD44780 compatible (CoG) |
| Backlight | - |
| Arduino driver | LiquidCrystal.h |
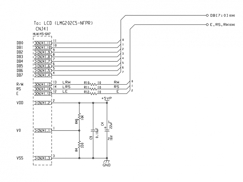
| Connector | PCB flex cable |
| Num Pins | 14 |
| Pin spacing | 1mm |
| Connector pin-out | Arduino test rig | ||
|---|---|---|---|
| Pin# | Label | Description | Pin |
| 1 | V0 | Contrast | Contrast adjustment 2) |
| 2 | Vdd | Power supply for logic | +5V |
| 3 | Vss | Ground | GND |
| 4 | DB7 | Data bus line | d7 |
| 5 | DB6 | Data bus line | d6 |
| 6 | DB5 | Data bus line | d5 |
| 7 | DB4 | Data bus line | d4 |
| 8 | DB3 | Data bus line | |
| 9 | DB2 | Data bus line | |
| 10 | DB1 | Data bus line | |
| 11 | DB0 | Data bus line | |
| 12 | E | Enable signal | d9 |
| 13 | R/W | Read/Write select signal | GND |
| 14 | RS | Data/Instruction select signal | d8 |
Except where otherwise noted, content on this wiki is licensed under the following license: CC Attribution-Share Alike 3.0 Unported